Funkenkammer
von Franco Laeri
Von der Höhenstrahlung zur kosmischen Strahlung
Karl Bergwitz (1875-1958), der nach seiner Promotion in Rostock für ein Jahr in Darmstadt eine Assistentenstelle innehatte, registrierte 1908 auf einer Ballonfahrt, dass die Luftionisation von der Höhe abhängig war. Seine Messungen zeigten zuerst eine Abnahme der Luftionisation, die aber mit weiter steigender Höhe wieder zunahm. Dieses für ihn „merkwürdige“ Resultat ließ ihn an der ordnungsgemäßen Funktion seines Messgeräts zweifeln, und er entschloss sich, die Messungen nicht zu publizieren. 1912 wiederholte der Österreicher Viktor Hess (1883-1964) , der mit Bergwitz in Kontakt stand und seine Ballonmessungen kannte, das Experiment. In mehreren weiteren Ballonfahrten wies er mit Hilfe zweier Wulfschen Strahlungsapparaten [1] nach, dass die Luftionisation durch „durchdringende“ Strahlung aus dem Weltall wesentlich beeinflusst wird. Er fasst die Erkenntnisse so zusammen [2]:
Die Ergebnisse der vorliegenden Beobachtungen scheinen am ehesten durch die Annahme erklärt werden zu können, dass eine Strahlung von sehr hoher Durchdringungskraft von oben her in unsere Atmosphäre eindringt, und auch noch in deren untersten Schichten einen Teil der in geschlossenen Gefäßen beobachteten Ionisation hervorruft. Die Intensität dieser Strahlung scheint zeitlichen Schwankungen unterworfen zu sein, welche bei einstündigen Ablesungsintervallen noch erkennbar sind.
Zusammen mit Carl David Anderson wurde ihm dafür 1936 der Nobelpreis für Füsik für die Entdeckung der kosmischen Strahlung verliehen.
Längere Messkampagnen in Höhen über 3000 m in Ballonen durchzuführen ist nicht gerade praktisch. Da traf es sich gut, dass im August 1912 die Bahn auf das im Berner Oberland (Schweiz) auf 3500 m gelegene Jungfraujoch eröffnet wurde. 1926 unternahmen von dort aus der spätere Nobelpreisträger Walter Nernst, sein damaliger Assistent Werner Kolhörster zusammen mit Gubert von Salis, eine Expedition auf den benachbarten Gipfel des Mönchs auf 4100 m, wo sie in einer Schneehöhle eine Messstation errichteten und während zweier Wochen Daten sammelten [3]. Auf Initiative der Genfer Astronomen R. Gautier und G. Tiercy wurde 1928 auf dem Jungfraujoch 1928 ein kleines, astronomisches Observatorium errichtet. 1931 wurde dann nach einem Jahr Bauzeit die „Hochalpine Forschungsstation Jungfraujoch“ eingeweiht, die seither ohne Unterbruch Daten über die kosmische Strahlung liefert. Im „Sphinxgebäude“ wurde 1950 unter der Leitung von P. M. S. Blackett von der Universität Manchester sogar eine mit einem 14 Tonnen schweren Magneten ausgerüstete Nebelkammer installiert, mit der die genaue Messung der Energie elektrisch geladener Teilchen der kosmischen Strahlung möglich war.
Die kosmische Strahlung
Der Gesamtbetrag des Energieflusses der eingestrahlten Kosmischen Strahlung entspricht etwa dem eingestrahlten Lichtfluss der Sterne bei Neumond. Füsikalisch interessant macht die Kosmische Strahlung, dass sie aus Teilchen besteht, die einzeln eine sehr hohe Energie aufweisen. Durch Experimente auf dem Jungfraujoch zeigt Pierre Auger 1938 [5], dass diese Teilchen eine Energie von 10 15 eV haben können. Seither wurden Teilchen beobachtet, die sogar 10 21 eV aufweisen, was weit jenseits dessen liegt, was mit dem LHC erreicht werden kann. Diese primären Teilchen (größtenteils Protonen) kollidieren in den oberen Schichten der Atmosphäre (ca. 20 km Höhe) mit den Kernen des Stickstoffs und Sauerstoffs und produzieren dabei einen Schauer aus über einer Million Sekundärteilchen je Kollision, von denen aber nur ein kleiner Teil die Erdoberfläche erreicht. Die Teilchen, die die Erdoberfläche erreichen, sind hauptsächlich Myonen. Ihre Flussdichte auf Meereshöhe beträgt etwa 100 Teilchen pro Quadratmeter und Sekunde und ihre mittlere Energie liegt um die 4 GeV [4]. Viele Aspekte der kosmischen Strahlung sind noch rätselhaft und werden in großen Experimenten untersucht [6].
Das Myon in der sekundären kosmischen Strahlung
Myonen gehören wie die Elektronen der Familie der Leptonen an, d.h. es sind Elementarteilchen, die nicht der starken Wechselwirkung unterworfen sind, sondern nur der elektroschwachen. Wie das Elektron besitzt das Myon eine negative Elementarladung und einen Spin von 1/2. Es ist aber rund 200-mal schwerer und nicht stabil. Es hat eine mittlere Lebensdauer von ca. 2,2 µs. Wegen seiner großen Masse von 106 MeV/c² benötigt ihre Produktion eine entsprechend hohe Energie. Diese liegt jenseits der Energien, die im radioaktiven Zerfall oder bei Kernwaffen erreicht werden. Es sind Teilchenbeschleuniger wie das CERN erforderlich, oder astrophysikalische Prozesse. In der Tat wurden sie bei der Untersuchung der kosmischen Strahlung 1936 von C. D. Anderson und S. Neddermeyer identifiziert. Seither werden die Myonen aus der kosmischen Strahlung weltweit in zahlreichen, großen Experimenten untersucht. In den letzten Jahren häuften sich bei hohen Energien von 10 19 eV Beobachtungen von einem nicht durch die gängigen Modelle der Hochenergiefüsik erklärbaren Myonenüberschuss [7]. Dieses „Myonen-Rätsel“ ist gegenwärtig Gegenstand großer experimenteller Anstrengungen und Debatten [8].
Wie oben erwähnt beträgt die Lebensdauer eines Myons 2,2 µs. Myonen, die die Erdoberfläche erreichen, haben im Mittel immer noch eine kinetische Energie von 4 GeV, was etwa dem 40-fachen ihrer Ruhemasse entspricht. D. h. sie bewegen sich praktisch mit Lichtgeschwindigkeit. Bei klassischer Betrachtung würden sie also ungefähr 660 m weit fliegen, dann wäre die Hälfte zerfallen. Da sie in den oberen Schichten der Atmosphäre in Höhen über 10 km entstehen, müsste keines von ihnen mehr am Erdboden zu beobachten sein. ABER – gemäß der speziellen Relativitätstheorie haben bewegte Myonen eine längere Lebensdauer als ruhende: Zeitdilatation bewegter Teilchen . Der ruhende Beobachter auf der Erde stellt für das von ihm aus betrachtete, mit der konstanten Geschwindigkeit fliegende Myon eine um den Lorentzfaktor verlängere Lebensdauer fest.
Für ein 4 GeV-Myon entspricht die Verlängerung der Lebensdauer also etwa das 40-fache, d.h. 90 µs. Auf dem Weg von den oberen Atmosphärenschichten zum Erdboden werden deshalb nur etwa die Hälfte der Myonen zerfallen. So bleiben uns noch genügend Myonen, die wir in der Funkenkammer beobachten können.
Die Funkenkammer
In der Funkenkammer werden die Myonen der kosmischen Strahlung durch elektrische Überschläge, Funken, in einem Edelgas sichtbar gemacht. Die energiereichen Myonen (kinetische Energie etwa 40-fache Ruheenergie) kollidieren auf ihrem Weg ständig mit den Atomkernen der Materie, die sie durchqueren. Bei diesen Kollisionen werden Gasatome ionisiert, d. h. an dieser Stelle entsteht für kurze Zeit ein positiv geladenes Ion und ein freies Elektron. Ein solches Ion rekombiniert im Gas innerhalb etwa einer Mikrosekunde zu einem neutralen Atom indem es ein Elektron einfängt. Das Myon hinterlässt im Vorbeiflug also für kurze Zeit eine durch Ionen und Elektronen markierte Spur, so auch im Gas in der Funkenkammer. Wir brauchen eigentlich nur diese Spur zum Leuchten zu bringen. Das Myon hat im Gas Elektronen hinterlassen. Diesen können wir zusätzliche kinetische Energie geben, so dass sie ihrerseits mit benachbarten Gasatomen kollidieren und diese ionisieren. Dann hätten wir aus einem freien Elektron zwei gemacht. Weil das gut funktioniert, wiederholen wir das. So entsteht eine Elektronenlawine. Wie verleihen wir aber den Elektronen zusätzliche Energie? Durch ein elektrisches Feld, das die Elektronen beschleunigt. Dazu führen wir in das Gas dünne Metallplatten ein, an die wir abwechselnd eine Spannung anlegen. Die Elektronenlawine bewegt sich auf die Platten zu, wodurch ein leitfähiger Kanal zwischen den geladenen Metallplatten entsteht. An diesen Stellen bricht der Strom durch. Die im Kanal vorhandenen Ionen rekombinieren. Falls wir das richtige Gas ausgewählt haben, wird die bei der Rekombination frei werdende Energie als sichtbares Leuchten emittiert.
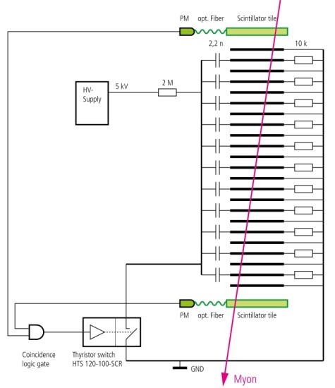
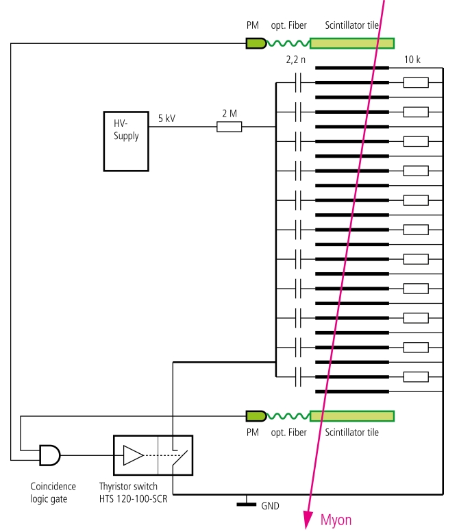
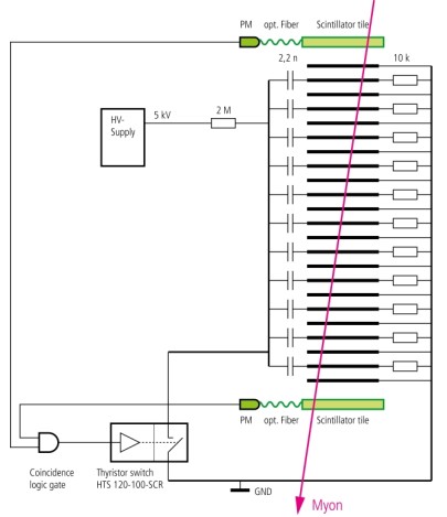
Die Sache hat aber einen Haken. Im Volumen der Funkenkammer – vgl. Abbildung rechts – hat es zu jedem Zeitpunkt sehr viele Ionen und Elektronen. Es würde ständig irgendwo zwischen den Platten funken. Unter all diesen Funken eine Spur zu erkennen wäre nicht möglich. Wir müssen deshalb den Moment herausfiltern, zu dem ein Myon durch die Kammer fliegt und erst dann schnell die Spannung an die Platten legen. Wenn das alles genügend schnell geschieht, kommt hoffentlich kein anderes Ereignis dazwischen, und die Funken entstehen wirklich nur entlang der einen Myonenbahn. Wie finden wir aber heraus, dass ein Myon in die Kammer einflog und diese wieder verlassen hat?
Myonen können nicht nur Gas ionisieren, sondern sie können bestimmte Materialien auch zum Fluoreszieren/Szintillieren bringen. Dieses Fluoreszenzlicht kann in sogenannten Szintillatoren als Signal für den Durchflug eines Myons ausgewertet werden. Wir haben die Funkenkammer oben und unten mit solchen Szintillatorplatten ausgerüstet; vgl. Abbildung auf der Eingangsseite, Abb. 2 und [9]. Das in diesen Platten vom Myon angeregte Fluoreszenzlicht wird dann mit einem schnellen Fotodetektor (Photomultiplier [10]) in einen elektrischen Impuls konvertiert. Wenn die Elektronik gleichzeitig einen Puls vom oberen und unteren Szintillationsdetektor empfängt, sendet sie das Koinzidenzsignal an den Hochspannungsschalter (Thyristorschalter [11]), der darauf die Hochspannung an den Platten in der Funkenkammer einschaltet. Das alles geschieht innerhalb einiger 100 Nanosekunden (vgl. Abb. 3), so dass im Kammergas die meisten ionisierten Atome noch nicht rekombinieren konnten und damit für den Funkenprozess noch verfügbar sind.
Weiterführende Literatur
Alle oben aufgeführten Zitationen sind sind in den folgenden pdf-Dokumenten zu finden.
Die Funkenkammer an der TU Darmstadt (PDF-Datei) (wird in neuem Tab geöffnet)
Anleitung für den Betrieb der Funkenkammer (PDF-Datei) (wird in neuem Tab geöffnet)
Kurzanleitung Funkenkammer (PDF-Datei) (wird in neuem Tab geöffnet)